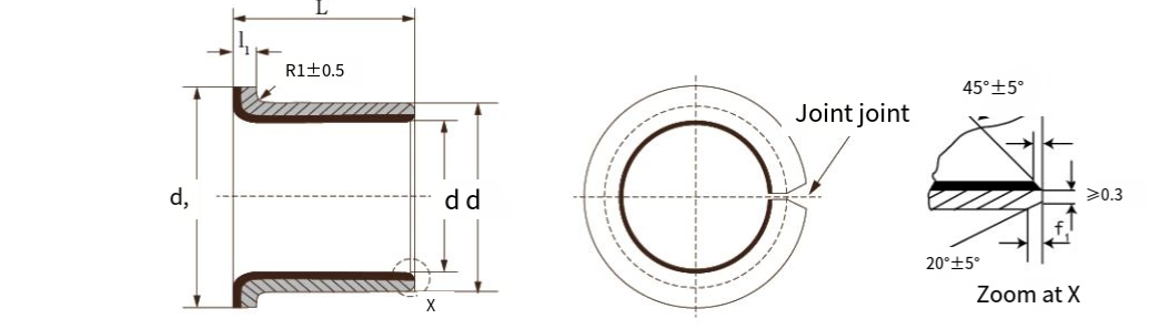
Vòng bi tự bôi trơn cuộn dây ngược loại HZ-1/A được thiết kế để mang lại độ bền vượt trội và khả năng vận hành ít cần bảo trì trong môi trường có áp lực cao. Được thiết kế cho máy móc công nghiệp, hệ thống ô tô và thiết bị nặng, ổ trục này tích hợp cấu trúc cuộn dây ngược kết hợp với chất bôi trơn rắn nhúng, đảm bảo hiệu suất ổn định mà không cần bôi trơn bên ngoài.
Các tính năng chính của HZ-1/A bao gồm khả năng chịu tải cao, khả năng chống ăn mòn và tuổi thọ kéo dài ở nhiệt độ khắc nghiệt. Thiết kế tự bôi trơn của nó giúp giảm thiểu ma sát và mài mòn, giảm thời gian ngừng hoạt động và chi phí bảo trì. Cấu trúc nhỏ gọn, nhẹ của ổ trục khiến nó phù hợp với các ứng dụng yêu cầu hiệu quả về không gian và trọng lượng là rất quan trọng.














